Lever Tumbler Lock, Disc Tumbler Lock, Lock Switch
12mm diameter key switch lock made of zinc alloy die cast housing and cylinder with chrome plated. Switch lock (S1096) is stainless steel capped bezel, 4 disc tumbler mechanism, brass keys with nickel plated for 20 key code combinations, Switch lock (S1097) is no pin tumbler mechanism, tubular keys with nickel plated for 6 key code combinations, Switch lock (S1098U) is 4 pin tumbler mechanism, tubular keys with nickel plated for 200 key code combinations. Stop-pin dimension 13mm is standard others upon request, dual-functioned key lock switch usable for variety application of stronger function.
| Availability: | |
|---|---|
| Quantity: | |
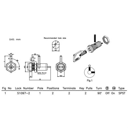
The lock made with 2 silver plated contacts and terminals for switch function OFF-ON, power circuit type SPST that also available make switch function reversed upon request for switch function ON-OFF, electrified at 12:00 position and unelectrified at 3:00 position. S1096 S1098 one or two key pulls available. S1097 withdraws at two key pulls only. Jin Tay offers the process the lock with wire assembly, laser engraved, stamping key code upon customer requested.
Contact rating: 0.2A, 125VAC passed 6,000 times of life cycle test, ROHS and REACH compliant, suitable to use on control box, computer case, communication facilities and hard disk box.
Zinc alloy die cast housing and cylinder, chrome plated standard.
S1096 stainless steel capped bezel.
S1096 4 disc tumbler mechanismbrass keys with nickel plated for 20 key code combinations.
S1097 no pin tumbler mechanism, tubular keys with nickel plated for 6 key code combinations.
S1098U is 4 pin tumbler mechanism, tubular keys with nickel plated for 200 key code combinations.
"L" dimension 13mm standard; other dimensions available upon request.
Dual-functioned Key Lock Switch.
S1096 S1098U key may be withdrawn in one or both positions S1097 withdraws at both positions only.
Silver plated contacts and terminals.
2 position (off-on) 2 terminals.
Hex nut or speed clip mounted.
All keyed alike or 6 to 20 combinations standard.
Refer to drawings, samples, etc. as the confirmation of product specification before placing the order.
After the order confirmed, the cancellation of the order or change the order contents can be allowed within 7 days from the date of receiving the order.
Delivery time: Estimated delivery time for standard product orders of 3,000pcs is within 45 days.
The minimum order quantity of the product is 500PCS/lot, and the order of "price based on quantity" also can be accepted (for details, please negotiate with the salesman)
Products can be customized according to customer requirements, as: Key combination, parts configuration, wire soldering process, surface treatment, key extraction position, adding anti-vibration, dust-proof, anti-static, and other functions.
UL approval and RoHS 2.0 (2011/65/EU) compliant.
The test report of the specified project can be provided according to the customer requested.
Gallery
The lock made with 2 silver plated contacts and terminals for switch function OFF-ON, power circuit type SPST that also available make switch function reversed upon request for switch function ON-OFF, electrified at 12:00 position and unelectrified at 3:00 position. S1096 S1098 one or two key pulls available. S1097 withdraws at two key pulls only. Jin Tay offers the process the lock with wire assembly, laser engraved, stamping key code upon customer requested.
Contact rating: 0.2A, 125VAC passed 6,000 times of life cycle test, ROHS and REACH compliant, suitable to use on control box, computer case, communication facilities and hard disk box.
Zinc alloy die cast housing and cylinder, chrome plated standard.
S1096 stainless steel capped bezel.
S1096 4 disc tumbler mechanismbrass keys with nickel plated for 20 key code combinations.
S1097 no pin tumbler mechanism, tubular keys with nickel plated for 6 key code combinations.
S1098U is 4 pin tumbler mechanism, tubular keys with nickel plated for 200 key code combinations.
"L" dimension 13mm standard; other dimensions available upon request.
Dual-functioned Key Lock Switch.
S1096 S1098U key may be withdrawn in one or both positions S1097 withdraws at both positions only.
Silver plated contacts and terminals.
2 position (off-on) 2 terminals.
Hex nut or speed clip mounted.
All keyed alike or 6 to 20 combinations standard.
Refer to drawings, samples, etc. as the confirmation of product specification before placing the order.
After the order confirmed, the cancellation of the order or change the order contents can be allowed within 7 days from the date of receiving the order.
Delivery time: Estimated delivery time for standard product orders of 3,000pcs is within 45 days.
The minimum order quantity of the product is 500PCS/lot, and the order of "price based on quantity" also can be accepted (for details, please negotiate with the salesman)
Products can be customized according to customer requirements, as: Key combination, parts configuration, wire soldering process, surface treatment, key extraction position, adding anti-vibration, dust-proof, anti-static, and other functions.
UL approval and RoHS 2.0 (2011/65/EU) compliant.
The test report of the specified project can be provided according to the customer requested.
Gallery